If you are having a hard time accessing the Nand Gate Pin Diagram page, Our website will help you. Find the right page for you to go to Nand Gate Pin Diagram down below. Our website provides the right place for Nand Gate Pin Diagram.

https://www.geeksforgeeks.org › digital-logic › what-is-nand-gate
NAND Gate is the special type of logic gate which is also known as the Universal Gate because it can be used to implement other basic logic gates like AND OR and NOT

https://www.electrical4u.com › nand-gate
A SIMPLE explanation of a NAND Gate Learn what a NAND Gate is its definition working principle symbol Learn how to make a NOT OR AND gate from NAND gates We also

https://www.electronics-tutorials.ws › logic
Digital Electronics Tutorial about the Logic NAND Gate which is a combination of the AND gate and the NOT gate in series

https://www.build-electronic-circuits.com › nand-gate
This is the basics of the NAND gate Learn how it works its truth table boolean expression and much more with this logic gate tutorial

https://hackatronic.com
Explore the universal NAND Gate with its truth table logic circuit IC 7400 pin diagram dive into construction working and applications

https://www.technipages.com › what-is-nand
NAND stands for Not And A NAND gate is the logical inverse of an AND gate An AND gate only returns true if all inputs are true

https://www.analog.com › en › resources › glossary › nand-gate.html
A two input NAND gate is a digital combination logic circuit that performs the logical inverse of an AND gate While an AND gate outputs a logical 1 only if both inputs are logical 1 a NAND gate outputs

https://www.electricalvolt.com › logic-nand-gate...
In this article we will discuss the logic NAND gate its definition truth table Boolean expression electrical equivalent circuit and more So let s get started with the basic definition of logic NAND gate

https://www.tutorialspoint.com › the-realization-of...
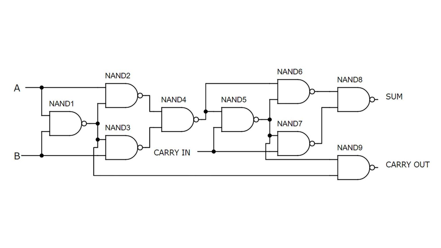
The NAND gate is a universal logic gate thus it can be used to implement any type of logic function Read this tutorial to learn how you can realize different logic functions using NAND
Thank you for visiting this page to find the login page of Nand Gate Pin Diagram here. Hope you find what you are looking for!