If you are having a hard time accessing the Arduino Uno Schematic page, Our website will help you. Find the right page for you to go to Arduino Uno Schematic down below. Our website provides the right place for Arduino Uno Schematic.

https://electronics.stackexchange.com › questions
I recently acquired an Arduino Uno R3 board 4 ways to power it are as follows link USB port DC jack port VIN GND combo 3 3V 5V GND combo However lots of

https://electronics.stackexchange.com › questions › arduino-uno-schem…
I am trying to determine what two parts of the Arduino schematic are I am quite new to reading schematics I have circled the areas of confusion Please let me know what

https://electronics.stackexchange.com › questions
2 I was just looking at the power supply part of the Arduino Uno but I am a bit confused 1 Why the opamp LMV358 with VIN as input USA 2 Why the opamp LMV358 with SCK as input

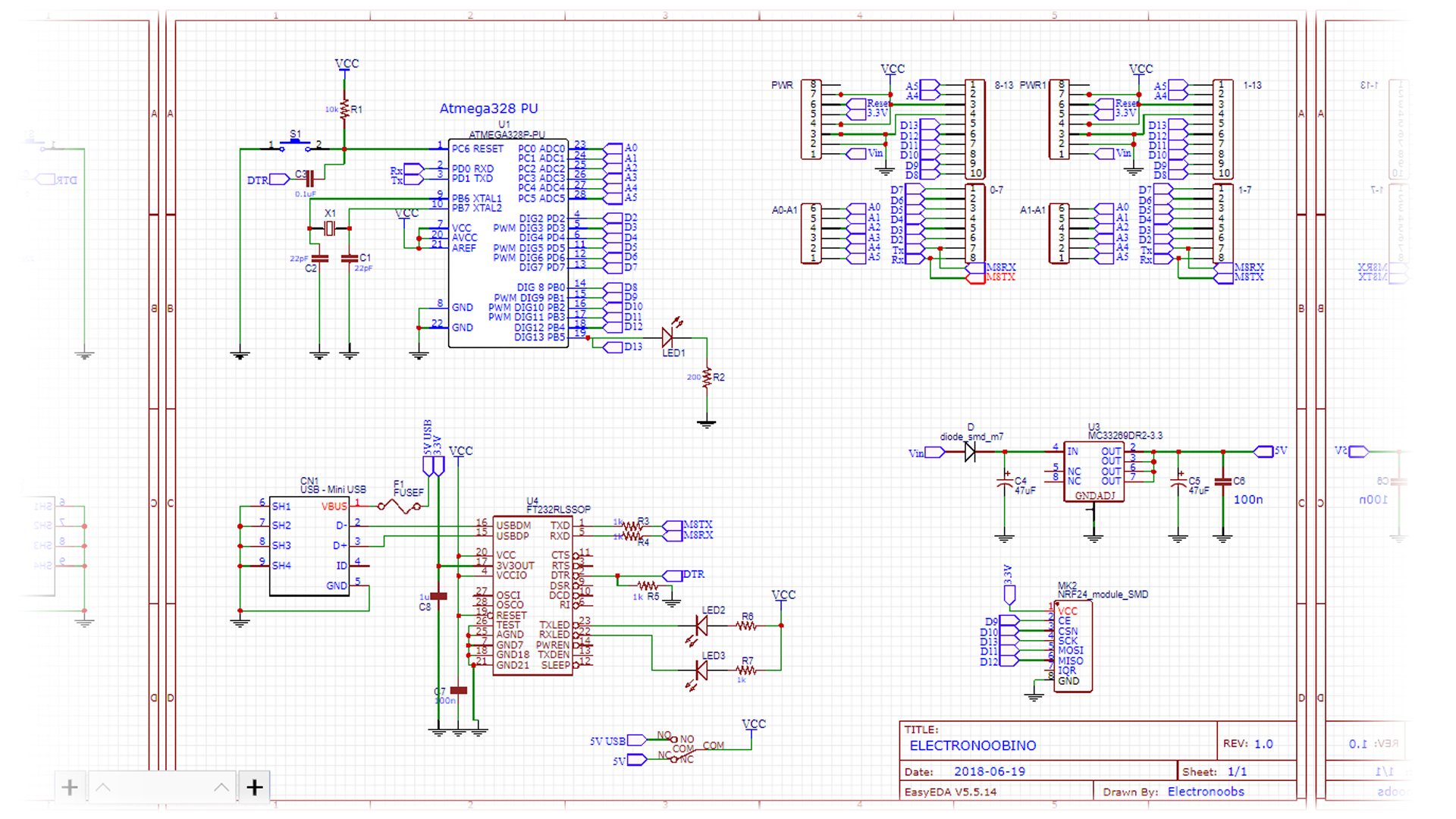
https://electronics.stackexchange.com › questions › recreating-arduino-u…
I m trying to recreate the Arduino UNO in order to be good at PCB design via EasyEDA or Altium I have recreated the Arduino Uno schematic and design but it is hard for

https://electronics.stackexchange.com › questions › arduino-board-gettin…
Arduino Board Arduino Uno R3 labeled Arduino 1 in the schematic Power Source 12V DC input connected to the barrel jack Connected Components A relay Finder

https://electronics.stackexchange.com › questions › using-h-bridge-as-a …
0 simulate this circuit Schematic created using CircuitLab I have been working on an Arduino project which requires me to control a latching solenoid through pins on the

https://electronics.stackexchange.com › questions
ARDUINO UNO R3 UART pins On your schematic you are using pins 7 and 8 of your Arduino as RX and TX But the Arduino Uno R3 datasheet shows two different pin

https://electronics.stackexchange.com › questions
It would not be a good idea Here is the relevant portion of the Arduino Uno schematic The output of U5A has to get very close to the positive rail in order to turn T1 off

https://electronics.stackexchange.com › questions
I m trying to understand the following section of the Arduino Uno s schematic Here s a link to Arduino Uno R3 complete schematic The Arduino s site recommends that Vin
Thank you for visiting this page to find the login page of Arduino Uno Schematic here. Hope you find what you are looking for!